摘要:本文從城市公交客車的實際使用工況入手,分析了目前市場上的混合動力及純電動公交車所采用的動力傳動機構,介紹了一款新型的城市公交客車所用的混合動力傳動裝置。
ABSTRACT:Thispaperaccordingthecitybusactualcondition,analysesthecurrentlyonthemarkethybridandpureelectricbusthepowertransmissionmechanism,andintroducesanewtypeofhybridtransmission.
關鍵詞:城市公交工況混合動力客車典型混合動力系統介紹新型混合動力傳動裝置
1、城市公交客車的典型工況介紹
1.1、車輛低速、低檔、大扭矩、怠速運轉時間多:
平均車速:平時15~25km/h;高峰期10km/h左右;
最高車速:≤65km/h;
怠速運轉時間比例:21~45%;
使用頻率:0~5km/h占30~36%;
5~25km/h占38~43%,
30~60km/h占14.6~23%;
駕駛員經常使用低檔起步、加速,發動機常處于大扭矩區域工作;
1.2、頻繁起步、換檔、制動、分離:
據調查研究統計:駕駛員平均每天換檔2000~3000次;
離合器平均每天分離2000~3300次。
1.3、公交線路實際運營情況介紹:


1.4、小結
正因為城市公交客車的這種典型工況,使得整車的燃油消耗高,運營成本高,對能源的消耗大,對環境的污染大,因此國家大力推行各種節能減排的項目,這也就使得各種新型的可以達到節能減排目的的車輛如雨后春筍般快速發展起來,特別是在目前電池技術不過關的前提下,混合動力客車迎來了前所未有的發展機遇;
2、混合動力客車傳動裝置介紹
2.1混合動力客車能量回收釋放原理介紹

混合動力原理圖
混合動力客車的原理即:充分利用發動機的經濟區域,使整車更多的處于此區域工作,同時通過能量存儲裝置,適時釋放和回收能量,協助整車運行,達到節省燃油的目的。
2.2、混合動力系統的分類
根據混合動力驅動的聯結方式,混合動力系統主要分為以下三類:
一是串聯式混合動力系統。串聯式混合動力系統一般由內燃機直接帶動發電機發電,產生的電能通過控制單元傳到電池,再由電池傳輸給電機轉化為動能,最后通過變速機構來驅動汽車。電池對在發電機產生的能量和電動機需要的能量之間進行調節,從而保證車輛正常工作。這種動力系統在城市公交上的應用比較多;
二是并聯式混合動力系統。并聯式混合動力系統有兩套驅動系統:傳統的內燃機系統和電機驅動系統。兩個系統既可以同時協調工作,也可以各自單獨工作驅動汽車。這種系統適用于多種不同的行駛工況,尤其適用于復雜的路況。該聯結方式結構簡單,成本低;
三是混聯式混合動力系統。混聯式混合動力系統的特點在于內燃機系統和電機驅動系統各有一套機械變速機構,兩套機構或通過齒輪系,或采用行星輪式結構結合在一起,從而綜合調節內燃機與電動機之間的轉速關系。與并聯式混合動力系統相比,混聯式動力系統可以更加靈活地根據工況來調節內燃機的功率輸出和電機的運轉。此聯結方式系統復雜,成本高。
2.3、國內外主要混合動力介紹
目前,混合動力客車的系統供應商有美國EATON公司、美國Allision公司、廣西玉柴股份有限公司(上海交大)、蘇州綠控(清華大學)、福工混合動力技術開發有限公司、天津松正、東風電動、一汽客車、深圳中環動力、南車時代等。
其中,福工系統、松正系統、中環動力采用的無變速器結構的混合動力系統;美國EATON公司、美國Allision公司、廣西玉柴股份有限公司(上海交大)、蘇州綠控(清華大學)、東風電動、一汽客車都采用了具有自動變速器結構的混合動力系統。
2.4、混合動力系統典型傳動裝置的介紹:
2.4.1、EATON混合動力系統介紹

美國EATON系統結構
2.4.1.1、EATON系統搭載整車的基本配置表(以福田為例)

2.4.1.2、EATON系統的顯著特點
●基于離合器后、變速器輸入軸的動力耦合系統
●能提供傳統純發動機行駛模式——有利于增加運行可靠性
●能夠實現車輛電動起步——有利于提高節油率,減小起步噪聲
●結構緊湊——有利于在低入口車輛中,布置油箱與尾氣后處理裝置
●無離合與換擋操作——有利于提供駕駛的舒適性
●配備強制手動換擋操作——有利于車輛的可靠性
2.4.1.3、EATON混合動力驅動系統傳動裝置AMT介紹
EATON混合動力系統的變速器采用的是EATON公司自己生產的6速電控機械式自動變速器,如下圖所示:

此變速器的特點電控電動的AMT變速器,離合器和選換檔由混合動力控制系統控制,自動完成離合器操縱及選換擋操縱;同時具有強制手動換擋操作模式,使車輛具有“跛行”回家的功能。
國內與此結構類似的系統供應有玉柴、南京綠控等主要廠家,所采用的變速器均為電控機械式AMT變速器或已全部改為AMT變速器,兩家的AMT變速器具有一個共同特點,都選用了天津中德牌變速器。
2.4.2、美國Allision系統介紹

Aliision系統結構
2.4.2.1、Allision系統的顯著特點
●“真正的”雙模式雙電機的系統耦合方案,體現為:雙工作模式、雙電機、雙離合器、單行星排變速機構,是當前技術水平最先進的混合動力系統之一;
●能夠實現無限多個速比,具有相當CVT的功能,使得車輛具有優異的連續平順的加速能力;
●動力系統效率高,在不同的工況下運行,能夠實現23~43%的節油率;
●兩個電機的額定功率均為:100kW;
●傳動機構為帶有濕式離合器的多個單行星齒輪機構變速器;
●采用鎳氫電池
——額定電壓:DC600V;電壓范圍:DC430~900V;
——總質量:437kg,儲能量:12kW*h;
此系統的動力傳動裝置非常新穎,它將電機、離合器、行星排集成到一起,簡化了原來電機和變速器分開布置的方案,使傳動裝置更緊湊、適應范圍更廣;同時其節能減排效果非常明顯。
2.5、各混合動力系統的優缺點分析
串聯式混合動力系統結構布置簡單,但傳動效率過低;并聯結構傳動效率高,但不能控制發動機的經濟工作轉速;混聯式結構克服了串聯和并聯的缺點,綜合性能好。但混聯式機構同樣存在缺陷:典型的混聯結構傳動裝置由發動機、發電機、電動機和行星齒輪機構組成,以行星齒輪機構作為動力耦合和分配裝置,可為車輛提供純電動、混聯驅動兩種驅動模式,這種結構存在如下問題:a、發動機不能始終在經濟區工作;b、車輛起步用離合器或液力變矩器,效率低;c、電動發電機的電能流動大,效率低;d、電池只作為提供動力的原能量,不能平衡發動機功率;
基于以上的介紹分析,我公司推出了一種新型的混合動力傳動裝置,繼承了混聯結構混合動力傳動裝置的優點,同時解決了混聯結構傳動裝置的一些缺點,意義重大。
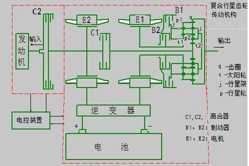
3、中德新型混合動力傳動裝置介紹:
3.1、結構布置:

此傳動裝置結構包括發動機、電動/發電機(E1)、電動/發電機(E2)、離合器C1、離合器C2、制動器B1、制動器B2、復合行星齒輪機構(也稱拉維納式行星齒輪機構)、逆變器、電池和電控裝置。
電動/發電機E1與拉維納行星齒輪機構大太陽輪t1相連,離合器C1與拉維納行星齒輪機構小太陽輪t2相連,電動/發電機E2與離合器C1和離合器C2相連,制動器B2與電動/發電機E1相連,制動器B1與拉維納行星齒輪機構的行星架j相連,電池通過逆變器與電動/發電機E1和電動/發電機E2相連。
3.2、可實現的工作模式介紹:
純電動工作模式一介紹:通過控制離合器C2分開、離合器C1分開、制動器B2分開、制動器B1接合、發動機停止,控制電動/發電機E1以電動機方式運行,實現該新型混合動力傳動裝置的純電動工作模式;
純電動工作模式二介紹:通過控制離合器C2、分開、離合器C1接合、制動器B2分開、制動器B1接合、發動機停止,控制電動/發電機E1以電動機方式運行,控制電動/發電機E2以發電機方式運行,電動/發電機E2發的電通過逆變器給電動/發電機E1供電,實現新型混合動力傳動裝置的純電動工作模式二;
混合驅動工作模式介紹:通過控制離合器C2結合、離合器C1接合、制動器B2分開、制動器B1接合、發動機起動并在定工況下工作,控制電動/發電機E1以電動機方式運行,控制電動/發電機E2以發電機方式運行,電動/發電機E2發的電通過逆變器給E1供電,發動機的動力通過驅動E2發電和驅動拉維納行星齒輪機構小太陽輪t2,實現新型混合動力傳動裝置的混合驅動工作模式;
串聯工作模式介紹:通過控制離合器C2接合,離合器C1分開、制動器B2分開、制動器B1接合、發動機起動在定工況下驅動E2發電,控制電動/發電機E1以電動機方式運行,控制電動/發電機E2以發電機方式運行,此時電動/發電機E2給電動/發電機E1供電,實現新型混合動力傳動裝置的串聯工作模式;
功率分流工作模式介紹:通過控制離合器C2接合、離合器C1接合、制動器B2接合、制動器B1分開、發動機在定工況下運行,動力一部分給拉維納行星齒輪機構的小太陽輪t2,另一部分驅動電動/發電機E2以發電機方式運行,平衡發動機的負荷,實現新型混合動力傳動裝置的功率分流工作模式;
3.3、該新型混合動力傳動裝置的優點:
●電能流動少提高了混合動力傳動系統傳動效率;
●采用了4個執行機構,可實現5種驅動模式,以適應車輛不同行駛工況的動力需求;
●實現混合動力傳動系統兩個電機可同時參與驅動;
●傳動機構為帶有濕式離合器的復合行星齒輪變速機構(也稱拉維納式行星齒輪機構);
●具有與CVT相當的功能,使得車輛具有優異的連續平順的加速能力;
●動力系統傳動效率高,實現較高的節油率;
●采用了DCT變速器上選用的空心軸結構;
●動力輸入部分采用干式離合器,布置簡單;
●車輛在高速行駛時,可實現由發動機直接驅動,電機可用來平衡發動機的功率;
3.4、適用范圍介紹
此結構的傳動裝置,如果選擇不同的發動機和電機,可以適用于10m到14m及BRT等各式城市公交混合動力及純電動車輛,前景廣闊。
3.5、制造難點分析
●復合行星齒輪機構的研制;
●空心軸類零件的加工;
●電控系統的開發驗證;
●可靠的電池及管理系統的開發;
4、結束語
隨著汽車工業的發展,國內汽車整車及零部件行業越來越多的人士認識到混合動力客車傳動裝置的重要性,對于汽車變速器廠家而言,深刻理解混合動力客車的結構,尤其是其傳動裝置的結構,并應用已經成熟的理論及新的變速器的開發理念,能夠推動整個變速器行業及整車技術的快步向前發展。
天津中德傳動有限公司提出的新型混合動力傳動裝置,結構比較新穎,理論計算結果喜人,可以適用混合動力城市公交工況,它的成功開發,意義重大。
