齒輪箱在機械制造設備中得到廣泛應用,是一個重要的機械部件,齒輪是齒輪箱的重要組成部分,受力載荷復雜多變,齒輪本身的質量好壞影響著減速器齒輪箱的使用壽命。
本文針對分公司近期出現的17CrNiMo6齒輪類鍛件產品的超聲波探傷不合格率高的問題。
通過對典型缺陷件進行解剖分析,采用低倍、非金屬夾雜檢測、掃描電鏡等方法查找不合格原因,為后續生產提供經驗數據,從而優化生產過程工藝的執行和控制。
缺陷件齒輪的材質為17CrNiMo6。
生產工藝流程為:鑄錠→加熱→開坯→下料→加熱→鍛造→毛坯檢驗→鍛后熱處理→檢驗交貨。
⑴化學成分。
化學成分要求見表1。
⑵純凈度檢驗。
按每熔煉爐在鋼錠開坯后取樣,取樣方法及取樣位置按GB/T 226-2015執行,低倍酸浸按GB/T 1979-2001,非金屬夾雜按GB/T 10561-2005執行。
低倍檢測應符合表2,非金屬夾雜應符合表3。
⑶鍛件要求。
鍛件鍛造比≥5,晶粒度≥6級,超聲波探傷符合JB/T 5000.15-2007的Ⅱ級。
⑴鋼錠兩鐓兩拔開坯φ750mm,去除底冒口后下料,開單件重量3400kg,加熱溫度1220℃,保溫5小時后進行鍛造,鐓粗沖孔成形,綜合鍛造比大于6。
⑵鍛后坑冷至室溫毛坯交檢,毛坯黑皮探傷。
17CrNiMo6材質的齒輪坯鍛后緩冷,毛坯黑皮按JB/T 5000.15-2007的Ⅱ級超聲波探傷超標,缺陷波大于底波,波形圖見圖1,由此判定缺陷大小相當于φ8mm左右,不符合驗收要求,探傷報廢。

圖1 毛坯探傷缺陷波形
為了得到更準確的分析結果,首先重新對齒輪鍛件進行超聲波探傷,通過UT定位先查找缺陷位置,取樣、重新探傷定位,一步步縮小范圍,最后機加工后查找出缺陷,進行低倍、組織及掃描電鏡等分析,判定缺陷性質。
定位查找探傷缺陷:通過超聲波探傷定位缺陷,超聲波波形如圖1所示,缺陷位置如圖2所示。

圖2 齒輪鍛件缺陷位置示意圖
在鍛件上畫出缺陷位置,留出熱影響區后氣割取樣(圖3)。

圖3 缺陷處氣割取樣
氣割后對試樣進行重新探傷,再次確定缺陷位置并做標記、劃線、記錄缺陷深度,鋸床鋸切掉多余部分(圖4、圖5)。

圖4 標記試樣缺陷位置

圖5 鋸切取樣
縮小缺陷試樣范圍以便查找缺陷點。鋸切后的試樣上銑床機加工,為了準確的找到缺陷,在接近缺陷深度位置2mm處,銑床加工改為按50絲為進刀量一層層加工,層層觀察有無缺陷。最終找到缺陷 (圖6)。

圖6 鍛件超探缺陷
理化分析:⑴低倍試驗分析。
在試塊缺陷位置處切取兩個試片做低倍酸浸試驗,檢測結果見表4,結果顯示鍛件致密度合格,試片存在開口性缺陷。低倍試片見圖7、圖8。

圖7 低倍試片1

圖8 低倍試片2
⑵高倍試驗分析。
為進一步分析,在缺陷位置取高倍試樣,結果顯示,在顯微鏡下缺陷類似于裂紋形貌,非金屬夾雜見表5。鍛件純凈度在合格范圍內。
⑶金相組織分析。
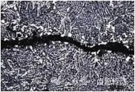
裂紋形貌見圖9,晶粒度2級,組織為貝氏體+鐵素體 (圖10),為鍛件鍛后快冷組織。裂紋內及周圍未見非金屬夾雜,裂紋旁組織無氧化脫碳現象。

圖9 裂紋形貌

圖10 裂紋處組織
⑷掃描電鏡分析。
為進一步確定缺陷,對缺陷嚴重的試樣3做了掃描電鏡和能譜分析 (圖11~22)。

圖11 能譜分析取樣點25

圖12 點25能譜圖

圖13 點25各元素占比

圖14 能譜分析取樣點29

圖15 點29能譜圖

圖16 點29各元素占比

圖17 能譜分析取樣點30

圖18 點30能譜圖

圖19 點30各元素占比

圖20 能譜分析取樣點32

圖21 點32能譜圖

圖22 點32各元素占比
從能譜分析結果看,缺陷處成分為C、O、Na、Mg、Ca、Si、K、Cr、Mn、Fe等,其中Na、K、Mg等不屬于基體組織的成分,且Fe含量比基體偏低。Na、K元素成分一般為保護渣成分,Mg元素成分一般為耐火材料成分。缺陷處有Na、K、Mg、Ca成分的氧化物,分析認為是鋼液發生卷渣或帶入耐火材料導致的。
⑴提高耐火材料質量與性能并合理地使用耐火材料,對耐火材料進行精選,選擇高質量的耐火材料,冶煉澆注前加強對爐襯、鋼包耐材、滑動水口以及澆注系統的清潔清掃及烘烤,來保證澆注系統的干凈。
以避免爐襯和澆注設備的耐火材料被沖刷侵蝕下來,減少鑄錠外來夾雜物。
⑵優化精煉工藝,調整精煉渣合適的理化性質提高對夾雜物的吸附能力,保證精煉渣良好的流動性,為鋼渣反應提供良好的動力學條件。
合理控制底吹攪拌工藝,防止精煉渣卷入。
澆注過程中進行吹氬保護,選擇合理的吹氬量、吹氬時間、吹氬壓力,提高脫氣和去夾雜的效果,減少夾雜物的產生。
⑶通過更換優質耐火材料,規范管理,加強對爐襯、鋼包耐材、滑動水口以及澆注系統的清理清潔,鋼錠質量得以提升,齒輪鍛件探傷廢品率大大降低。
本文針對分公司近期出現的17CrNiMo6齒輪類鍛件產品的超聲波探傷不合格率高的問題。
通過對典型缺陷件進行解剖分析,采用低倍、非金屬夾雜檢測、掃描電鏡等方法查找不合格原因,為后續生產提供經驗數據,從而優化生產過程工藝的執行和控制。
產品主要技術參數及指標
缺陷件齒輪的材質為17CrNiMo6。
生產工藝流程為:鑄錠→加熱→開坯→下料→加熱→鍛造→毛坯檢驗→鍛后熱處理→檢驗交貨。
⑴化學成分。
化學成分要求見表1。
表 1 化學成分 (wt%)


⑵純凈度檢驗。
按每熔煉爐在鋼錠開坯后取樣,取樣方法及取樣位置按GB/T 226-2015執行,低倍酸浸按GB/T 1979-2001,非金屬夾雜按GB/T 10561-2005執行。
低倍檢測應符合表2,非金屬夾雜應符合表3。
表2 低倍檢測 ( 級 )


表3 非金屬夾雜 ( 級 )


⑶鍛件要求。
鍛件鍛造比≥5,晶粒度≥6級,超聲波探傷符合JB/T 5000.15-2007的Ⅱ級。
生產過程
⑴鋼錠兩鐓兩拔開坯φ750mm,去除底冒口后下料,開單件重量3400kg,加熱溫度1220℃,保溫5小時后進行鍛造,鐓粗沖孔成形,綜合鍛造比大于6。
⑵鍛后坑冷至室溫毛坯交檢,毛坯黑皮探傷。
探 傷
17CrNiMo6材質的齒輪坯鍛后緩冷,毛坯黑皮按JB/T 5000.15-2007的Ⅱ級超聲波探傷超標,缺陷波大于底波,波形圖見圖1,由此判定缺陷大小相當于φ8mm左右,不符合驗收要求,探傷報廢。

圖1 毛坯探傷缺陷波形
分析方案及過程
為了得到更準確的分析結果,首先重新對齒輪鍛件進行超聲波探傷,通過UT定位先查找缺陷位置,取樣、重新探傷定位,一步步縮小范圍,最后機加工后查找出缺陷,進行低倍、組織及掃描電鏡等分析,判定缺陷性質。
定位查找探傷缺陷:通過超聲波探傷定位缺陷,超聲波波形如圖1所示,缺陷位置如圖2所示。

圖2 齒輪鍛件缺陷位置示意圖
在鍛件上畫出缺陷位置,留出熱影響區后氣割取樣(圖3)。

圖3 缺陷處氣割取樣
氣割后對試樣進行重新探傷,再次確定缺陷位置并做標記、劃線、記錄缺陷深度,鋸床鋸切掉多余部分(圖4、圖5)。

圖4 標記試樣缺陷位置

圖5 鋸切取樣
縮小缺陷試樣范圍以便查找缺陷點。鋸切后的試樣上銑床機加工,為了準確的找到缺陷,在接近缺陷深度位置2mm處,銑床加工改為按50絲為進刀量一層層加工,層層觀察有無缺陷。最終找到缺陷 (圖6)。

圖6 鍛件超探缺陷
理化分析:⑴低倍試驗分析。
在試塊缺陷位置處切取兩個試片做低倍酸浸試驗,檢測結果見表4,結果顯示鍛件致密度合格,試片存在開口性缺陷。低倍試片見圖7、圖8。
表 4 低倍檢測結果



圖7 低倍試片1

圖8 低倍試片2
⑵高倍試驗分析。
為進一步分析,在缺陷位置取高倍試樣,結果顯示,在顯微鏡下缺陷類似于裂紋形貌,非金屬夾雜見表5。鍛件純凈度在合格范圍內。
表5 非金屬夾雜檢測結果


⑶金相組織分析。
裂紋形貌見圖9,晶粒度2級,組織為貝氏體+鐵素體 (圖10),為鍛件鍛后快冷組織。裂紋內及周圍未見非金屬夾雜,裂紋旁組織無氧化脫碳現象。

圖9 裂紋形貌

圖10 裂紋處組織
⑷掃描電鏡分析。
為進一步確定缺陷,對缺陷嚴重的試樣3做了掃描電鏡和能譜分析 (圖11~22)。

圖11 能譜分析取樣點25

圖12 點25能譜圖

圖13 點25各元素占比

圖14 能譜分析取樣點29

圖15 點29能譜圖

圖16 點29各元素占比

圖17 能譜分析取樣點30

圖18 點30能譜圖

圖19 點30各元素占比

圖20 能譜分析取樣點32

圖21 點32能譜圖

圖22 點32各元素占比
從能譜分析結果看,缺陷處成分為C、O、Na、Mg、Ca、Si、K、Cr、Mn、Fe等,其中Na、K、Mg等不屬于基體組織的成分,且Fe含量比基體偏低。Na、K元素成分一般為保護渣成分,Mg元素成分一般為耐火材料成分。缺陷處有Na、K、Mg、Ca成分的氧化物,分析認為是鋼液發生卷渣或帶入耐火材料導致的。
結 論
通過對17CrNiMo6齒輪鍛件探傷缺陷定位及低倍解剖分析、高倍試驗分析及掃描電鏡等手段,該探傷缺陷是外來夾渣及耐火材料破壞了鋼基體的連續性引起的。因此,提出以下改進措施。⑴提高耐火材料質量與性能并合理地使用耐火材料,對耐火材料進行精選,選擇高質量的耐火材料,冶煉澆注前加強對爐襯、鋼包耐材、滑動水口以及澆注系統的清潔清掃及烘烤,來保證澆注系統的干凈。
以避免爐襯和澆注設備的耐火材料被沖刷侵蝕下來,減少鑄錠外來夾雜物。
⑵優化精煉工藝,調整精煉渣合適的理化性質提高對夾雜物的吸附能力,保證精煉渣良好的流動性,為鋼渣反應提供良好的動力學條件。
合理控制底吹攪拌工藝,防止精煉渣卷入。
澆注過程中進行吹氬保護,選擇合理的吹氬量、吹氬時間、吹氬壓力,提高脫氣和去夾雜的效果,減少夾雜物的產生。
⑶通過更換優質耐火材料,規范管理,加強對爐襯、鋼包耐材、滑動水口以及澆注系統的清理清潔,鋼錠質量得以提升,齒輪鍛件探傷廢品率大大降低。
